0%
  • Nouveau produit

MOTEUR COMPLET LONCIN AXE HORIZONTAL G200FA - G 200 FA - 196 CM3 - AXE 20MM X 53 MM

Moteur complet LONCIN à axe horizontal G200FA, G 200 FA, 196cm3 - axe 20mm X 53mm

  • Puissance : 5,6 CV
  • Garantie : 2 ans
  • S'adapte à la place de moteur Briggs et Stratton sur motobineuse, pompe à eau, générateur, scarificateur, etc..
  • Avec démarreur électrique
  • LIVRAISON GRATUITE A DOMICILE
220,00 € TTC
Plus de stock
DISPO SOUS 4 A 5 JOURS

Accessoires

Moteur complet LONCIN à axe horizontal G200FA, G 200 FA, 196cm3 - axe 20mm X 53mm

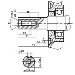
Dimensions :

  • Cylindrée : 196 cm3
  • Longueur sortie vilebrequin : 53 mm
  • diamètre vilebrequin : 20 mm
  • Puissance : 5,6 CV
  • Capacité réservoir essence : 3,6 L

Applications :

  • S'adapte à la place de moteur Briggs et Stratton sur motobineuse, pompe à eau, générateur, scarificateur, etc ..

Informations :

  • Norme d'émission : EURO 5
  • Vitesse régime max : 3600 tr/min
  • Poids : 19 kg (à vide)
  • Livré sans huile
  • Lanceur manuel ou électrique
  • Lubrification par barbotage
MOTG200FA

Fiche technique

Application Marque
Loncin